Riepilogo del prodotto
| VFD pompa solare serie RVE35 | | |
| | INGRESSO CC/CA | |
| | Design raffinato | |
| | MPPT | |
| Parametrico | ||
| Modello | RVE35-S2-0R7G ~ RVE35-S2-2R2G |
| Voltaggio | Ingresso da 150 V CC a 450 V CC o ingresso monofase 220 V CA | |
| P nominale (kW) | 0,75/1,5/2,2 | |
| Corrente nominale (A) | 4/7/10 | |
| MPPT Vmp/Voc | 310/372 | |
| Dimensioni (mm) | 187*86*152 | |
Sfondi dell'applicazione
| Negli ultimi anni, con la crescente gravità del “problema alimentare” globale e del “problema energetico”, le pompe solari per l’acqua sono state gradualmente acclamate come efficaci prodotti di integrazione industriale per risolvere il problema dell’aumento della produzione di terreni coltivati efficaci e della sostituzione dell’energia fossile con energia pulita. Di conseguenza, è nato un modello economico emergente in cui l’industria solare si è sviluppata in combinazione con industrie tradizionali come la tutela dell’acqua in agricoltura, il controllo del deserto, l’uso dell’acqua domestica e il paesaggio idrico urbano. |
Caratteristiche del prodotto
• Inseguimento del punto di massima potenza (MPPT) con velocità di risposta rapida e funzionamento stabile
• Protezione contro il funzionamento a secco (sotto carico).
• Protezione dalla massima corrente del motore
• Protezione dell'alimentazione in ingresso
• Protezione per bassa frequenza di arresto
• La curva di prestazione PQ (potenza/portata) consente di calcolare la portata in uscita dalla pompa
• Controllo digitale per funzionamento completamente automatico, memorizzazione dati e funzioni di protezione
• Modulo di potenza intelligente (IPM) per il circuito principale
• Pannello operativo con display a LED e supporto per il controllo remoto
• È disponibile l'ingresso di alimentazione CA e CC a doppia modalità
• Sensore della sonda di livello dell'acqua basso e funzione di controllo del livello dell'acqua
• Temperatura ambiente per l'utilizzo: da -10 a 50 °C.
| Design raffinato Area di installazione ridotta del 50% Volume ridotto del 30% | |
| | La macchina di verniciatura a tre prove completamente automatica viene utilizzata per ispessire lo strato protettivo del circuito, prevenendo efficacemente i danni al circuito causati dalla polvere del vento, dal gas corrosivo e dall'aria umida. |
| | Adottare apparecchiature di rilevamento completamente automatiche per testare vari indicatori elettrici e funzioni di protezione dei prodotti sotto carico nominale. |
| | Tutti i prodotti finiti vengono invecchiati sotto carico per 48 ore ad una temperatura elevata di 60 gradi, quindi tutti gli indicatori elettrici vengono testati sotto carico, in modo da ridurre il tasso di guasto del prodotto. |
Nomenclatura del modello
Serie S2 di tipo generale:
Ingresso Vmp 310 V CC o 220 V CA, uscita 1/3 fase 0-220 V CA
| Modellolo | Corrente nominale (A) | Tensione di uscita ( VAC ) | Applicabile alla pompa di potenza (kW). | Esterno rispetto alle dimensioni dell'unità A*L*P (mm) | MPPT Vmp/Voc |
| RVE35-S2-0R7G | 4 | 0-220 | 0.75 | 187*86*152 | 310/372 |
| RVE35-S2-1R5G | 7 | 0-220 | 1.5 | ||
| RVE35-S2-2R2G | 10 | 0-220 | 2.2 | ||
| RVE35-S2-3G | 13 | 0-220 | 3 | 265*105*164 | |
| RVE35-S2-4G | 16 | 0-220 | 4 |
Serie T3 di tipo generale:
Ingresso Vmp da 540 a 650 V CC o da 380 a 460 V CA, uscita trifase 0-380/460 V CA
| Modellolo | Corrente nominale (A) | Tensione di uscita ( VAC ) | Applicabile alla pompa di potenza (kW). | Esterno rispetto alle dimensioni dell'unità A*L*P (mm) | MPPT Vmp/Voc |
| RVE35-T3-0R7GB | 2.5/3.7 | 0-380/440 | 0.75 | 187*86*152 | 540/660 |
| RVE35-T3-1R5GB | 3,7/5 | 0-380/440 | 1.5 | ||
| RVE35-T3-2R2GB | 5/10 | 0-380/440 | 2.2 | ||
| RVE35-T3-4GB | 13/10 | 0-380/440 | 4.0 | ||
| RVE35-T3-5R5GB | 13/16 | 0-380/440 | 5.5 | 265*105*164 | |
| RVE35-T3-7R5GB(custodia in plastica) | 16/25 | 0-380/440 | 7.5 | ||
| RVE35-T3-7R5GB(cassa in ferro) | 16/25 | 0-380/440 | 7.5 | 333*150*216 | |
| RVE35-T3-11GB | 25/32 | 0-380/440 | 11 | ||
| RVE35-T3-15GB | 32/38 | 0-380/440 | 15 | ||
| RVE35-T3-18GB | 38/45 | 0-380/440 | 18 | 383*180*228 | |
| RVE35-T3-22GB | 45/60 | 0-380/440 | 22 | ||
| RVE35-T3-30GB | 60/75 | 0-380/440 | 30 | 435*175*265 | |
| RVE35-T3-37GB | 75/90 | 0-380/440 | 37 | ||
| RVE35-T3-45G | 90/110 | 0-380/440 | 45 | 670*265*358 | |
| RVE35-T3-55G | 110/150 | 0-380/440 | 55 | ||
| RVE35-T3-75G | 150/170 | 0-380/440 | 75 | ||
| RVE35-T3-90G | 170/210 | 0-380/440 | 90 | 845*305*358 | |
| RVE35-T3-110G | 210A/250 | 0-380/440 | 110 | ||
| RVE35-T3-132G | 250A/300 | 0-380/440 | 132 | ||
| RVE35-T3-160G | 300A/340 | 0-380/440 | 160 | 788*500*360 | |
| RVE35-T3-185G | 340/380 | 0-380/440 | 185 | ||
| RVE35-T3-200G | 380/415 | 0-380/440 | 200 | 900*540*358 | |
| RVE35-T3-220G | 415/470 | 0-380/440 | 220 | ||
| RVE35-T3-250G | 470/520 | 0-380/440 | 250 | ||
| RVE35-T3-280G | 520/600 | 0-380/440 | 280 | 1035*620*400 | |
| RVE35-T3-315G | 600/680 | 0-380/440 | 315 | ||
| RVE35-T3-355G | 680/750 | 0-380/440 | 355 | 1290*780*410 | |
| RVE35-T3-400G | 750/810 | 0-380/440 | 400 |
Prestazioni eccellenti
| | Controllo vettoriale ad alte prestazioni per migliorare la precisione dell'attrezzatura |
| La frequenza di uscita massima sotto controllo vettoriale raggiunge 1500 Hz, consentendo di ottenere una velocità di uscita ad alta precisione entro l'intervallo di regolazione della velocità magnetica debole 10 volte. | |
| | |
| | Azionamento perfetto per motori sincroni |
| Forma d'onda della corrente del motore sincrono in modalità di controllo vettoriale ad anello aperto a 500 Hz con carico nominale al 100%. | |
| | |
| | Design affidabile per la dissipazione del calore |
| La tecnologia di progettazione del doppio condotto dell'aria indipendente può realizzare l'uso dell'azionamento della pompa solare con una temperatura dell'anello di 50 ℃ senza riduzione della capacità. |
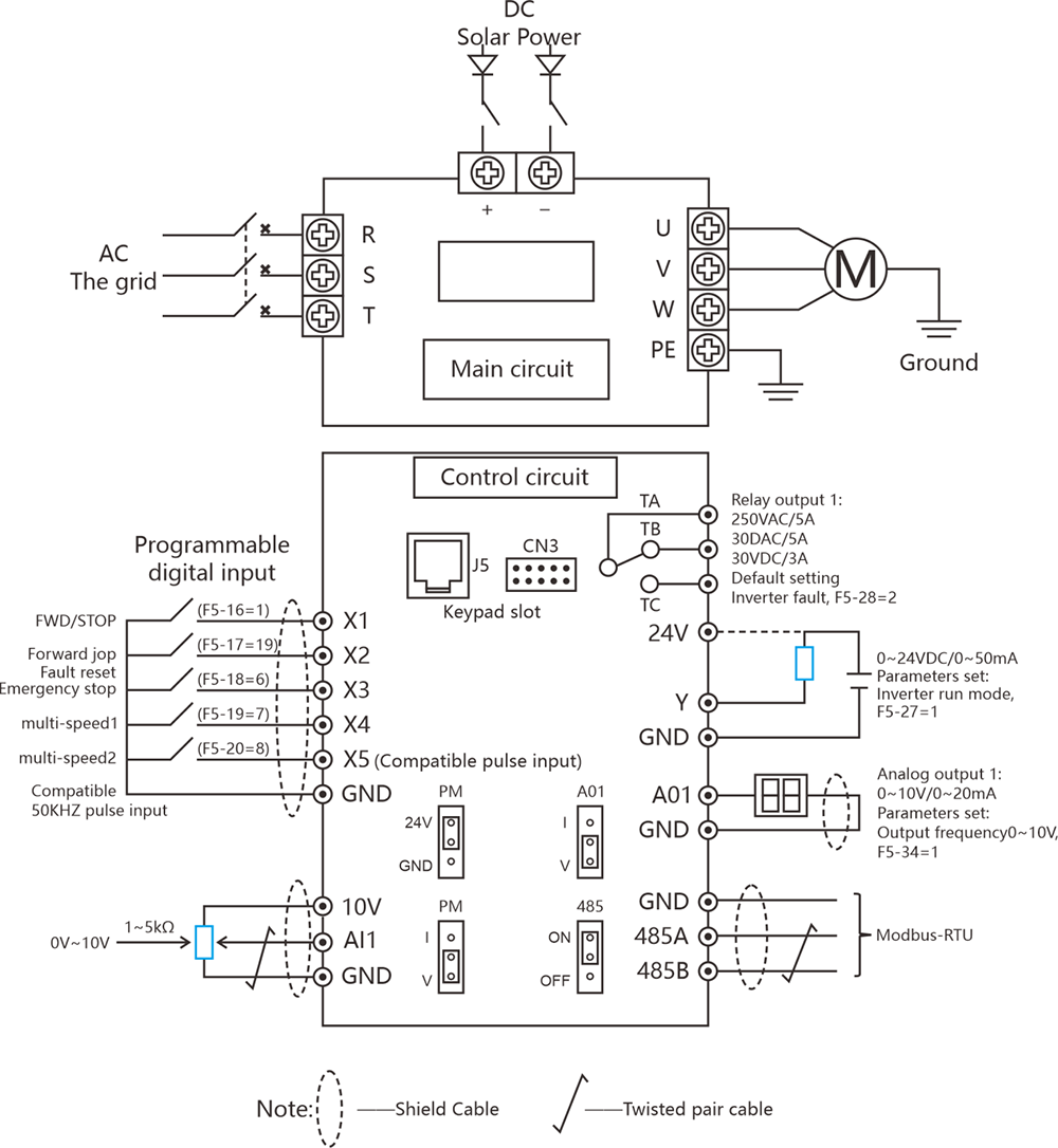
Schema elettrico
Per i prodotti RVE35 0,75kw-7,5kw, tenere presente quanto segue:
1. Il prodotto non contiene terminali di ingresso logico X6 e X7;
2. Il prodotto include solo 1 ingresso analogico, 1 uscita analogica e 1 uscita relè












































